Projecto apenas para fins didáticos, construído inicialmente para competição aguardando seguimento para tal, com aproveitamento de material reciclado como impressoras, scanners e leitores de CDs.
Variáveis de ajuste através de switchs:
- Calibração de sensores
- Velocidade máxima
- Tempo máximo sem linha
- PID
entre outros...
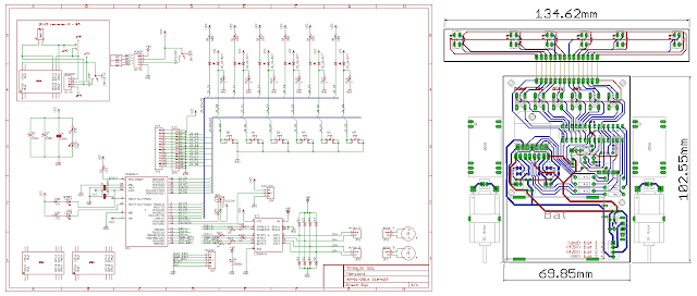
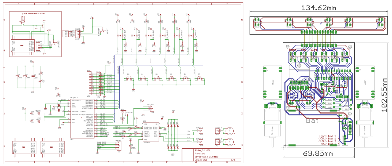
Esquema e layout:
PCBs:
Carro montado:


Sensores:
Engrenagens:
Aplicação de duas baterias + booster:

Pistas de ensaios e de performance:
Vídeo final com duas baterias (sem booster aplicado aqui):
Mais informações em: http://lusorobotica.com/index.php?topic=8498.0





Sem comentários :
Enviar um comentário
Nota: só um membro deste blogue pode publicar um comentário.